Krabice univerzální do sádrokartonu KU 68/71L1 NA
Elektroinstalační krabice KU 68/71L1 NA do dutých stěn
Přístrojová krabice KU 68/71L1 NA je ideální pro instalaci do sádrokartonu a dalších dutých stěn. Je vybavena montážními i přístrojovými šrouby s dvojchodým závitem pro rychlou a snadnou montáž. Vstupní otvory z pružného materiálu umožňují snadné zavedení kabelu bez použití nářadí, přičemž zachovávají vzduchotěsnost, což ji činí ideální pro nízkoenergetické a pasivní domy.
Vyrobena z tvrdého samozhášivého PVC, odolného teplotám od -5 °C do +60 °C. Krabice splňuje požadavky norem na odolnost vůči žhavé smyčce 850 °C a je chráněna evropským průmyslovým vzorem. Krytí IP30 je dosaženo osazením odpovídajícím víkem nebo přístrojem.
Elektroinstalační krabice KU 68/71L1 NA – spolehlivé řešení pro rozvody pod omítku
Odbočná elektroinstalační krabice KU 68/71L1 NA je určena pro bezpečné a přehledné zapojení elektrických obvodů do 400 V / 16 A. Nabízí dostatečný prostor pro svorkovnice i složitější instalace, čemuž napomáhá i velké množství vstupů. Speciální výstupky zabraňují vytržení krabice ze zdi, což zajišťuje spolehlivou fixaci při montáži do zdiva.
Krabice je vyrobena z kvalitního samozhášivého PVC s odolností vůči teplotám od -5 °C do +60 °C. Materiál splňuje přísné požadavky na odolnost vůči ohni a vysokým teplotám – obstála ve zkouškách podle norem ČSN EN 60670-1 a ČSN EN 60695-11-5, včetně testu žhavou smyčkou při 850 °C.
Díky tomu je krabice vhodná k instalaci do prostředí s třídou reakce na oheň A1 až D, dle normy ČSN EN 13501-1. Základní provedení je ve světle šedé barvě, ale k dispozici jsou i jiné barevné varianty – bez vlivu na technické vlastnosti nebo odolnost.
Doplňkové parametry
| Kategorie: | Instalační krabice |
|---|---|
| Záruka: | 24 měsíců |
| EAN: | 8595057688414 |
| Bezolovnatý materiál: | Ano |
| Jmenovité napětí: | 400 V |
| Jmenovitý proud: | 16 A |
| Materiál: | PVC |
| Osazení: | Ne |
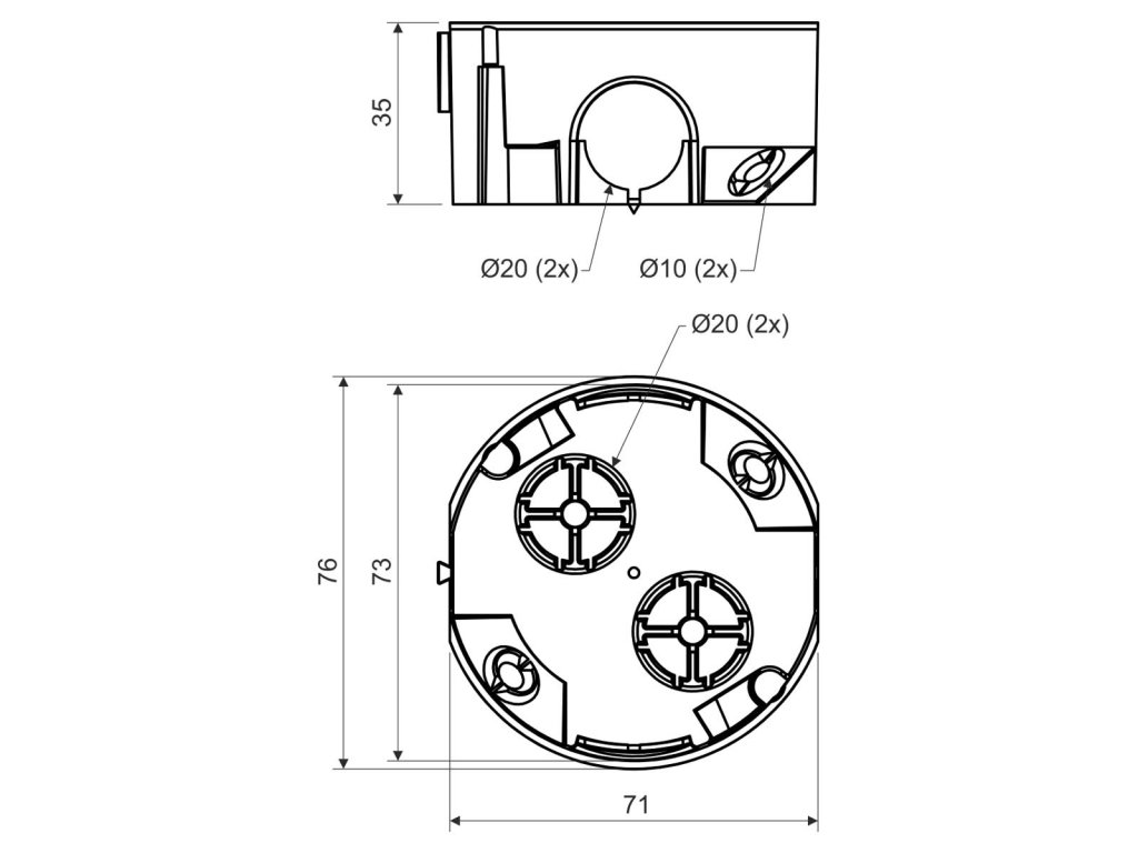
| Průměr frézovaného (vrtaného) otvoru: | 68 mm |
| Rozměry mm: | 71x76x35 mm |
| Samozhášivý materiál: | 30 s |
| Teplotní odolnost: | -5 - 60 °C |
| Tvar: | Kruhový |
| Způsob montáže: | Pohledové zdivo |
